UWB’s success story for secure and precise ranging use cases
Since the early 2000s, ultra-wideband (UWB) technology has gradually found its way into a variety of commercial applications that require secure and fine ranging capabilities. Well-known examples are hands-free entry solutions for cars and buildings, locating assets in warehouses, hospitals, and factories, and navigation support in large spaces like airports and shopping malls.
A characteristic of UWB wireless signal transmission is the emission of very short pulses in the time domain. In impulse-radio (IR) UWB technology, this is taken to the extreme by transmitting pulses of nanoseconds or even picoseconds. Consequently, in the frequency domain, it occupies a bandwidth that is much wider than wireless ‘narrowband’ communication techniques like Wi-Fi and Bluetooth.
UWB technology operates over a broad frequency range (ranging typically from 6 to 10GHz) and uses channel bandwidths of around 500MHz and higher. And because of that, its ranging accuracy is much higher than that of narrowband technologies. Today, UWB can provide cm- to even mm-level location information between a transmitter (TX) and receiver (RX) that are typically 10-15 meters apart.
In addition, enhancements to the UWB physical layer – as part of the adoption of the IEEE 802.15.4z amendment to the IEEE standard for low-rate wireless networks – have been instrumental in enabling secure ranging capabilities.

Figure 1 – Representation of UWB and narrowband signal transmission, in the (top) frequency and (bottom) time domain.
Over the years, imec has contributed significantly to advancing UWB technology and overcoming the challenges that have hindered its widespread adoption: reducing its power consumption, enhancing its bit rate, increasing its ranging precision, making the receiver chip more resilient against interference from other wireless technologies operating in the same frequency band [1] and enabling cost-effective CMOS silicon chip implementations.
Imec researchers developed multiple generations of UWB radio chips, compliant with the IEEE 802.15.4z standard for ranging and communication. Imec’s transmitter circuits operate through innovative pulse shape and modulation techniques, enabled by advanced polar transmitter, digital phase-locked loop (PLL), and ring oscillator-based architectures – offering mm-scale ranging precision at low power consumption.
At the receiver side, circuit design innovations have contributed to an outstanding interference resilience while minimizing power consumption. The various generations of UWB prototype transmitter and transceiver chips have all been fabricated with cost-effective CMOS-compatible processing techniques and are marked by small silicon areas.
The potential of UWB technology for radar sensing
Encouraged by the outstanding performance of UWB technology, experts have been claiming for some time that UWB’s potential is much larger than ‘accurate and secure ranging.’ They were seeing opportunities in radar-like applications which, as opposed to ranging, employ a single device that emits UWB pulses and analyzes the reflected signals to detect ‘passive’ objects.
When combined with UWB’s precise ranging capabilities, this could broaden the applications to automotive use cases such as in-cabin presence detection and monitoring the occupants’ gestures and breathing – aimed at increasing their safety. Or think about smart homes, where UWB radar sensors could be used to adjust the lighting environment based on people’s presence. In nursing homes, the technology could be deployed to initiate an alert based on fall detection without the need for intrusive camera monitoring.
Enabling such UWB use cases will be facilitated by IEEE 802.15.4ab, the next-generation standard for wireless technology, which is expected to be officially released early 2026. 802.15.4ab will offer multiple enhancements, including radar functionality in IR-UWB devices – turning them into sensing-capable devices.
Enter: imec’s fourth generation IR-UWB radio technology compliant with 802.15.4z/ab
At the 2025 Symposium on VLSI Technology and Circuits (VLSI 2025), imec presented its fourth-generation UWB transceiver, compliant with the baseline for radar sensing as defined by preliminary versions of 802.15.4ab [2].
Baseline characteristics include, among others, enhanced modulation supported by high data rates. Additionally, imec’s UWB radar sensing technology implements unique features offering enhanced radar sensing capabilities (such as extended range) and a record-high data rate of 124.8Mb/s – integrated in a system-on-chip. Being also compliant with the current 802.15.4z standard, the new radio combines its radar sensing capabilities with communication and secure ranging.

Figure 2 – Photograph of imec’s Gen-4 IR-UWB radio system.
Full duplex 2x2 MIMO architecture offering low-power radar sensing over a 30cm-3m range
A unique feature of imec’s IR-UWB radar sensing system is the 2x2 MIMO architecture, with two transmitters and two receivers configured in full duplex mode. In this configuration, a duplexer controls whether the transceiver operates in transmit or receive mode. Also, the TXs and RXs are paired together (TX1-RX1, TX1-RX2, and TX2-RX2), connected by the duplexer. This allows the radar to simultaneously operate in transmit and receive mode without having to use RF switches to toggle from one mode to the other.
This way of working allows for reducing the nearest distance over which the radar can operate – a metric that is traditionally limited by the time needed to switch between both modes. Imec’s full-duplex-based radar can operate in the range between 30cm and 3m – a breakthrough achievement. In this full-duplex MIMO configuration, the nearest distance is only restricted by the radar’s 500MHz bandwidth.
The IR-UWB 2TRX radar physically implements two antenna elements, each antenna being shared between one TX and one RX. The 2x2 MIMO full-duplex configuration, however, allows for an array with three antennas virtually, which substantially improves the radar’s angular resolution and area consumption. Compared with state-of-the-art single-input-single-output (SISO) radars, the radar consumes a 1.7x smaller area with 2.5 fewer antennas, making it a highly performant, compact, and cost-effective solution. Advanced techniques are used to isolate the TX from the RX signals, resulting in >30dB isolation over a 500MHz bandwidth.

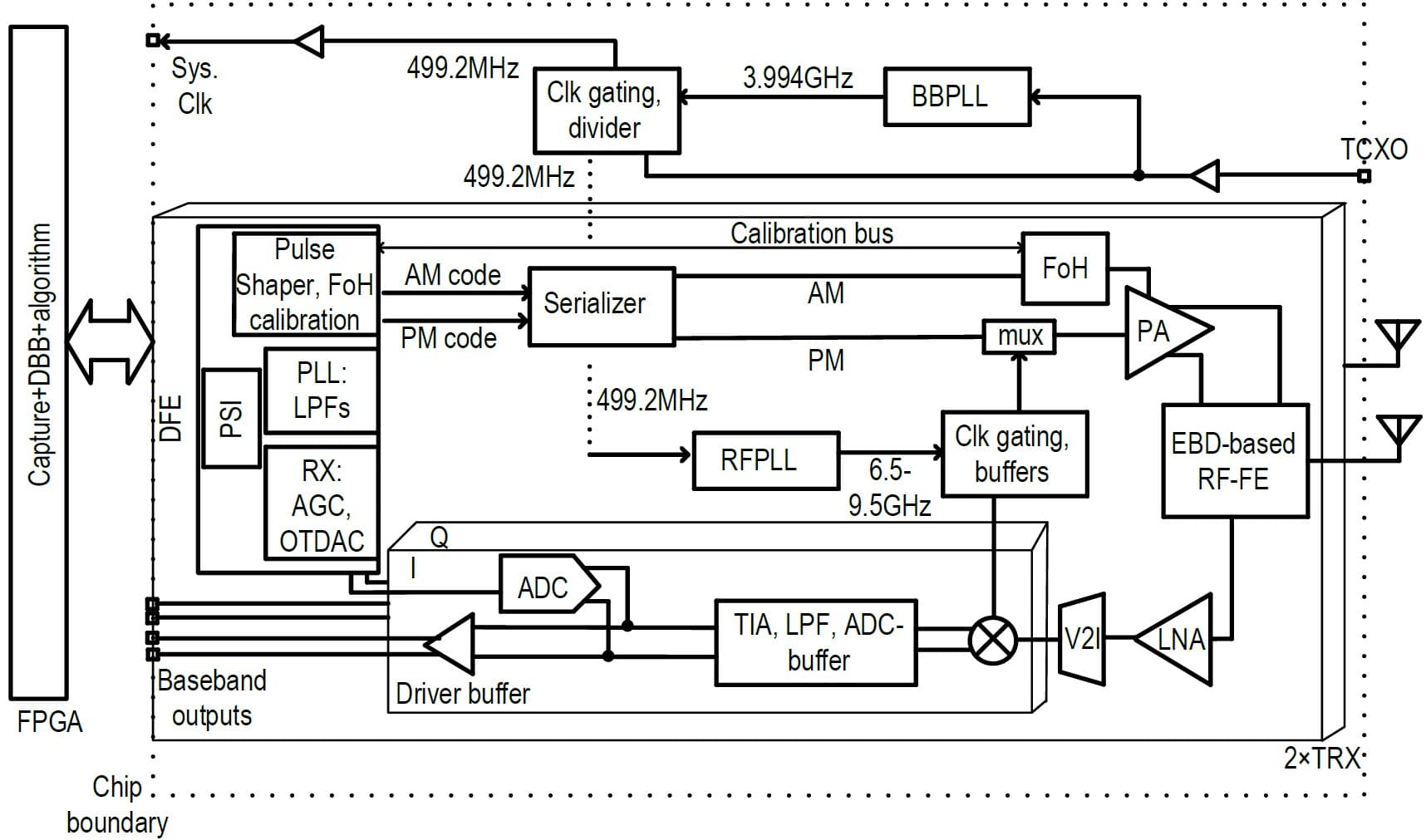
Figure 3 – Architecture of the 2TRX (as presented at VLSI 2025).
Signal transmission relies on a hybrid analog/digital polar transmitter, introducing filtering effects in the analog domain for signal modulation. This results in a clean transmit signal spectrum, supporting the good performance and low power operation of the UWB radar sensor.
Finally, in addition to the MIMO-based analog/RF part, the UWB radar sensing device features an advanced digital baseband (or modem), responsible for signal processing. This component extracts relevant information such as the distance between the radar and the object, and an estimation of the angle of arrival.
Proof-of-concept: demonstrating the MIMO radar system for in-cabin monitoring
The features of IR-UWB MIMO-based radar technology are particularly attractive for automotive use cases, where the UWB radar can be used not only to detect whether someone is present in the car (e.g., child presence detection), but also to map the vehicle’s occupancy and monitor vital signs such as breathing. This capability is currently on the roadmap of several automotive OEMs and tier-1 suppliers. But today, no radar technology can deliver this functionality with the required accuracy. Particularly challenging is achieving the angular resolution needed to detect two targets at the same (short) distance from the radar. In addition, for breathing monitoring, small movements of the target must be discerned within a period of a few seconds.

Figure 4 – In-cabin IR-UWB radar demo (as presented at PIMRC 2025).
At the 2025 IEEE International Symposium on Personal, Indoor and Mobile Radio Communications (IEEE PIMRC 2025), imec researchers presented a first proof-of-concept, showing the ability of imec’s latest IR-UWB MIMO radar system to perform two in-cabin sensing tasks: occupancy detection and breathing rate estimation [3]. In-cabin measurements were carried out inside a small car. The UWB platform was placed in front of an array of two in-house developed antenna elements placed in the center of the car ceiling, close to the rear-view mirror. The distance from the antennas to the center of the driver and front passenger seats was 55cm. The experimental results confirm achieving a high precision for estimating the angle-of-arrival and breathing rate. For example, for a scenario where both passenger and driver seats are occupied, imec’s UWB radar system achieves a standard deviation of less than 1.90 degrees and 2.95bpm, for angle-of-arrival and breathing rate estimations, respectively.

Figure 5 – Extracted breathing signals for driver and passenger (as presented at PIMRC 2025).
In their contribution, imec authors highlight an additional benefit of using UWB technology for in-cabin monitoring: the TRX architecture that is already used in some cars for keyless entry can be re-purposed for the radar applications – cutting the overall costs.
A record-high data rate of 124.8Mb/s opens doors to data streaming applications
In addition to excellent radar sensing capabilities, imec’s latest IR-UWB transceiver offers another feature that sets it apart from existing UWB solutions: it provides a record-high data rate of 124.8Mb/s – the highest data rate that is still compatible with the upcoming 802.15.4ab standard [2]. This is about a factor of 20 higher than the 6.8Mb/s data rate currently in use in ranging and communication applications, and results from an optimization of both the analog frontend and digital baseband. The high data rate also comes with a low energy per bit – much lower than consumed by e.g. Wi-Fi – especially at the transmit side.
These features will unlock new applications in both audio and video data streaming. Possible use cases are next-generation smart glasses or VR/AR devices, for which the UWB TRX's small form factor is an added advantage.
Adding advanced ranging to UWB’s technology portfolio
The IEEE 802.15.4ab standard supports yet another feature: advanced ranging. This will enhance the link budget for signal transmission, translating into a fourfold increase in the ranging distance – up to 100m in the case of a free line of sight. This feature is expected to significantly enhance the user experience for keyless entry solutions for cars and smart buildings. Not only can it improve the operating distance, but it can also better address challenging environments, such as when the signal is blocked by another object (e.g., body blocking).
The introduction of a novel narrowband (NB) transceiver unlocks this advanced ranging capability as a new feature in imec’s fifth generation of UWB technology. This transceiver architecture enables NB-assisted UWB operation which increases the practical operation range of UWB by up to four compared to previous generations.
Conclusion and outlook
In the last two decades, IEEE 802.15.4z-compliant UWB technology has proven its ability to support mass-market secure-ranging and localization deployments, enabling use cases across the automotive, smart industry, smart home, and smart building markets. Supported by the upcoming IEEE 802.15.4ab standard, emerging UWB devices can now also be equipped with radar functionality.
Imec’s fourth generation of IR-UWB technology is the first (publicly reported) 802.15.4ab compliant radar-sensing device, showing excellent radar-sensing capabilities – suitable for automotive as well as smart home use cases. The record high data rate also shows UWB's potential to tap new markets: low-power data streaming for smart glasses or AR/VR devices.
The NB transceiver architecture introduced in generation five not only unlocks advanced ranging capabilities, but it has also been designed with extensibility in mind. While its primary role is NB-assisted UWB under IEEE 802.15.4ab, it lays the foundation for supporting emerging standards such as Bluetooth Higher Bands [4], paving the way for unified, multi-band, multi-standard low-power wireless solutions.
The future looks bright for UWB technology. Not only do technological advances follow each other at a rapid pace, but ongoing standardization efforts help shape current and future UWB applications.
Part of this article was originally published in EDN.
Want to know more?
[1] ‘The future of UWB: reconciling sensing with low energy consumption and high bitrates,’ C. Bachmann et al., Microwave Journal 2023
[2] ‘An IEEE802.15.4ab/a/z compatible IR-UWB 2TRX with dual-antenna full-duplex 1x3 SIMO radar sensing and aliasing suppressing semi-synchronous TX,’ A. Narajan Bhat et al., IEEE VLSI 2025
[3] ‘An IEEE 802.15.4z/Ab-Compatible IR-UWB MIMO Radar System for in-Cabin Monitoring,’ A. Farsaei et al., IEEE PIMRC 2025
[4] https://www.bluetooth.com/specifications/specifications-in-development/

Christian Bachmann is the Portfolio Director of Wireless & Edge, overseeing the research center’s wireless and edge compute R&D. This includes UWB and Bluetooth programs enabling next-gen low power connectivity for automotive, medical, consumer, and IoT applications.
Christian joined imec in 2011 after working with Infineon Technologies and the Graz University of Technology. During his career, he has covered a broad spectrum of wireless communication solutions for 802.11ah Wi-Fi, Bluetooth LE, 802.15.4 (Zigbee), and ultra-wideband impulse radio.
Published on:
7 January 2026












